产品名称:单列窄型VC
咨询热线:18637333199
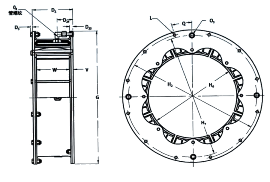
产品简介:单列窄型VC单列窄型VC型号尺寸型号Size扭矩TorqueRatingD₂D₃D₂₄D₂₅GH₂H₆H₇L螺栓数量L螺...
单列窄型VC

单列窄型VC型号尺寸
型号 Size | 扭矩 Torque Rating | D₂ | D₃ | D₂₄ | D₂₅ | G | H₂ | H₆ | H₇ | L 螺栓 数量 | L 螺栓直径 | O₃ | O₄ 数量 No. | O₄ 尺寸 Size | Q 度 (Deg) | V | W 数量 No. | W 宽度 Width |
11.5VC500 | 3050 | 156 | 6 | 60 | 10 | 498.5 | 479.4 | 295 | 479 | 16 | 9.5 | 8 | 2 | 3/8-18 | 11.25 | 14 | 8 | 127 |
14VC500 | 4430 | 156 | 8 | 73 | 15 | 596.9 | 571.5 | 361 | 565 | 8 | 12.7 | 10 | 4 | 3/8-18 | 22.50 | 14 | 8 | 127 |
16VC600 | 7350 | 187 | 8 | 73 | 15 | 647.7 | 619.1 | 412 | 619 | 12 | 12.7 | 10 | 4 | 3/8-18 | 15.00 | 17 | 8 | 152 |
20VC600 | 10500 | 187 | 8 | 73 | 15 | 749.3 | 720.7 | 514 | 721 | 12 | 12.7 | 10 | 4 | 3/8-18 | 15.00 | 17 | 10 | 152 |
24VC650 | 15300 | 195 | 10 | 73 | 16 | 863.6 | 831.9 | 615 | 826 | 16 | 15.9 | 13 | 4 | 1/2-14 | 11.25 | 15 | 12 | 165 |
28VC650 | 20600 | 195 | 10 | 73 | 16 | 965.2 | 933.5 | 717 | 927 | 16 | 15.9 | 13 | 4 | 1/2-14 | 11.25 | 15 | 14 | 165 |
33VC650 | 28800 | 195 | 12 | 79 | 16 | 1133.5 | 1095.4 | 844 | 1099 | 18 | 19.1 | 16 | 4 | 3/4-14 | 15.00 | 15 | 16 | 165 |
37VC650 | 36200 | 195 | 12 | 79 | 17 | 1235.1 | 1197.0 | 945 | 1200 | 20 | 19.1 | 16 | 4 | 3/4-14 | 9.00 | 15 | 18 | 165 |
42VC650 | 42900 | 195 | 12 | 79 | 17 | 1362.1 | 1324.0 | 1072 | 1327 | 24 | 19.1 | 16 | 4 | 3/4-14 | 7.50 | 15 | 20 | 165 |
单列窄型VC技术参数
型号 Size | 扭矩 Torque Rating | 转速 Maximum Speed | 离心力损失系数 Centrifugal Loss Constant | 转动惯量 Moment of Inertia | 重量 Weight | 摩擦面积 Friction Area | 摩擦片厚度 Friction Lining Thickness 新 New | 摩擦片厚度 Friction Lining Thickness 旧 Worn | 气胎容积 Air Tube Cavity | 轮毂小直径 Minimum Drum Diameter |
11.5VC500 | 3050 | 1800 | 1.59E-06 | 1.81 | 43 | 1071 | 8 | 4 | 1.15 | 290 |
14VC500 | 4430 | 1500 | 1.93E-06 | 3.28 | 58 | 1322 | 8 | 4 | 1.56 | 353 |
16VC600 | 7350 | 1400 | 2.00E-06 | 4.83 | 68 | 1825 | 8 | 4 | 1.97 | 404 |
20VC600 | 10500 | 1200 | 2.76E-06 | 8.11 | 81 | 2451 | 8 | 4 | 2.30 | 505 |
24VC650 | 15300 | 1050 | 3.38E-06 | 15.50 | 111 | 3006 | 11 | 4 | 3.28 | 607 |
28VC650 | 20600 | 1000 | 4.00E-06 | 22.55 | 127 | 3535 | 11 | 4 | 4.43 | 706 |
33VC650 | 28800 | 900 | 5.11E-06 | 45.49 | 178 | 4147 | 14 | 7 | 5.9 | 833 |



