产品名称:双列窄型VC
咨询热线:18637333199
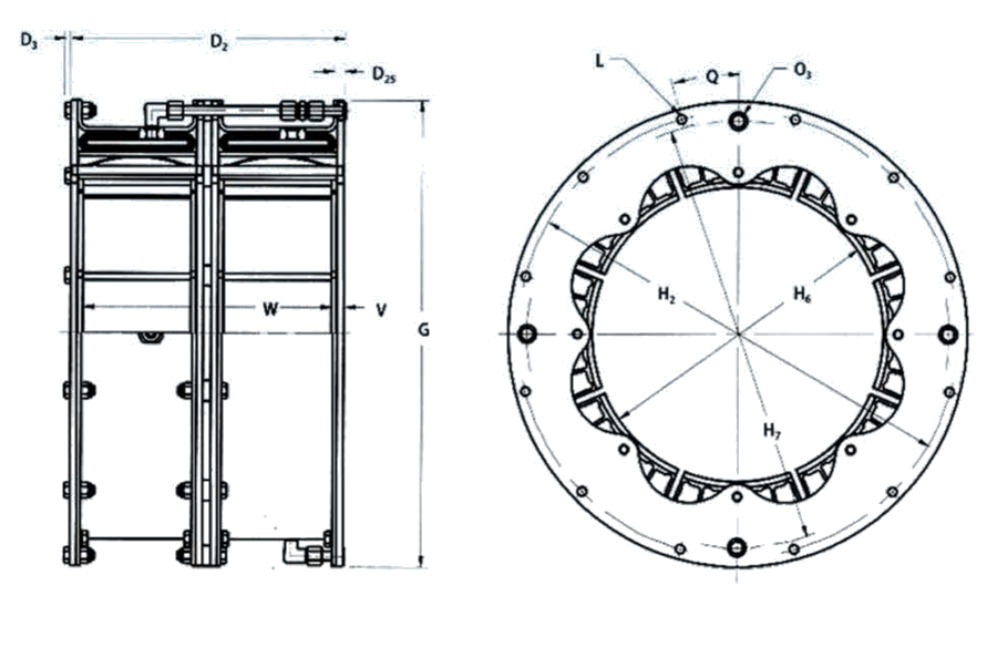
产品简介:双列窄型VC双列窄型VC型号尺寸型号Size扭矩TorqueRatingD₂D₃D₂₅GH₂H₆H₇L螺栓(Bolt)O...
双列窄型VC

双列窄型VC型号尺寸
型号 Size | 扭矩 Torque Rating | D₂ | D₃ | D₂₅ | G | H₂ | H₆ | H₇ | L 螺栓 (Bolt) | O₃ 数量 No. | O₃ 尺寸 Size | Q | V | W | ||
数量 No. | 直径 Diameter | 度 (Deg) | 数量 No. | 宽度 Width | ||||||||||||
11.5VC500 | 6100 | 324 | 6 | 14 | 498.5 | 479.4 | 295 | 479 | 16 | 9.5 | 2 | 8 | 11.25 | 14 | 16 | 295 |
14VC500 | 8860 | 322 | 8 | 14 | 596.9 | 571.5 | 361 | 565 | 8 | 12.7 | 4 | 10 | 22.50 | 14 | 16 | 294 |
16VC600 | 14700 | 386 | 8 | 14 | 647.7 | 619.1 | 412 | 619 | 12 | 12.7 | 4 | 10 | 15.00 | 17 | 16 | 351 |
20VC600 | 21000 | 386 | 8 | 14 | 749.3 | 720.7 | 514 | 721 | 12 | 12.7 | 4 | 10 | 15.00 | 17 | 20 | 351 |
24VC650 | 30500 | 405 | 10 | 16 | 863.6 | 831.9 | 615 | 826 | 16 | 15.9 | 4 | 13 | 11.25 | 15 | 24 | 375 |
28VC650 | 41100 | 405 | 10 | 16 | 965.2 | 933.5 | 717 | 927 | 16 | 15.9 | 4 | 13 | 11.25 | 15 | 28 | 375 |
33VC650 | 57600 | 405 | 12 | 18 | 1133.5 | 1095.4 | 844 | 1099 | 18 | 19.1 | 4 | 16 | 15.00 | 15 | 32 | 375 |
37VC650 | 72300 | 405 | 12 | 18 | 1235.1 | 1197.0 | 945 | 1200 | 20 | 19.1 | 4 | 16 | 9.00 | 15 | 36 | 375 |
42VC650 | 85900 | 405 | 12 | 18 | 1362.1 | 1324.0 | 1072 | 1327 | 24 | 19.1 | 4 | 16 | 7.50 | 15 | 40 | 375 |
双列窄型VC技术参数
型号 Size | 扭矩 Torque Rating | 大转速 Maximum Speed | 离心力损失系数 Centrifugal Loss Constant | 转动惯量 Moment of Inertia | 重量 Weight | 摩擦面积 Friction Area | 摩擦片厚度 Friction Lining Thickness | 气胎容积 Air Tube Cavity | 轮毂小直径 Minimum Drum Diameter | |
新 New | 旧 Worn | |||||||||
11.5VC500 | 6100 | 1800 | 1.59E-06 | 3.61 | 89 | 2141 | 8 | 4 | 2.30 | 290 |
14VC500 | 8860 | 1500 | 1.93E-06 | 6.55 | 117 | 2645 | 8 | 4 | 3.12 | 353 |
16VC600 | 14700 | 1400 | 2.00E-06 | 9.66 | 139 | 3651 | 8 | 4 | 3.94 | 404 |
20VC600 | 21000 | 1200 | 2.76E-06 | 16.21 | 164 | 4902 | 8 | 4 | 4.59 | 505 |
24VC650 | 30500 | 1050 | 3.38E-06 | 31.00 | 225 | 6011 | 11 | 4 | 6.56 | 607 |
28VC650 | 41100 | 1000 | 4.00E-06 | 45.11 | 256 | 7069 | 11 | 4 | 8.86 | 706 |
33VC650 | 57600 | 900 | 5.11E-06 | 90.97 | 355 | 8295 | 14 | 7 | 11.80 | 833 |
37VC650 | 72300 | 800 | 6.21E-06 | 117.60 | 395 | 9288 | 14 | 7 | 13.10 | 935 |
42VC650 | 85900 | 800 | 6.56E-06 | 167.20 | 444 | 10604 | 14 | 7 | 14.40 | 1062 |



