产品名称:单列单法兰CB离合器
咨询热线:18637333199
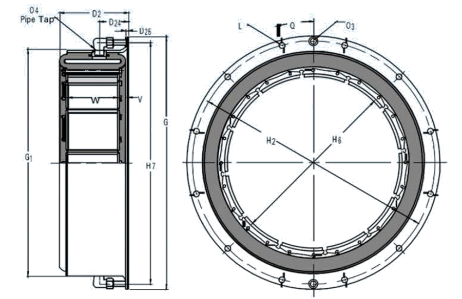
产品简介:单列单法兰CB单列单法兰CB型号尺寸型号Size扭矩TorqueRatingD₂D₂₄D₂₅GG₁H₂H₆H₇L螺栓(B...
单列单法兰CB

单列单法兰CB型号尺寸
型号 Size | 扭矩 Torque Rating | D₂ | D₂₄ | D₂₅ | G | G₁ | H₂ | H₆ | H₇ | L 螺栓 (Bolt) | L 螺栓 (Bolt) | O₃ | O₄ | Q | V | W | W |
数量 No. | 尺寸 Size | 度 (Deg) | 数量 No. | 宽度 Width | |||||||||||||
3CB150 | 40.7 | 55 | 30 | 2 | 160.0 | 123 | 146.0 | 80 | 146 | 8 | 6 | 7 | 1/8-27 | 22.500 | 9 | 6 | 38 |
4CB200 | 113 | 67 | 35 | 2 | 184.1 | 148 | 169.9 | 105 | 170 | 8 | 6 | 5 | 1/8-27 | 22.500 | 10 | 6 | 51 |
5CB200 | 165 | 72 | 38 | 2 | 224.0 | 183 | 205.0 | 131 | 205 | 8 | 8 | 7 | 1/8-27 | 22.500 | 12 | 6 | 51 |
6CB200 | 231 | 75 | 40 | 2 | 273.1 | 230 | 254.0 | 156 | 254 | 8 | 10 | 8 | 3/8-18 | 22.500 | 14 | 6 | 51 |
8CB250 | 485 | 87 | 48 | 2 | 327.0 | 284 | 308.0 | 207 | 308 | 8 | 10 | 8 | 3/8-18 | 22.500 | 14 | 8 | 64 |
10CB300 | 921 | 105 | 51 | 5 | 390.5 | 346 | 371.5 | 257 | 371 | 12 | 10 | 8 | 3/8-18 | 15.000 | 17 | 10 | 76 |
12CB350 | 1500 | 120 | 51 | 5 | 447.7 | 403 | 428.6 | 308 | 429 | 14 | 10 | 8 | 3/8-18 | 12.857 | 17 | 12 | 89 |
14CB400 | 2230 | 133 | 51 | 5 | 498.5 | 454 | 479.4 | 359 | 479 | 16 | 10 | 8 | 3/8-18 | 11.250 | 17 | 14 | 102 |
单列单法兰CB技术参数
型号 Size | 扭矩 Torque Rating | 大转速 Maximum Speed | 离心力损失系数 Centrifugal Loss Constant | 转动惯量 Moment of Inertia | 重量 Weight | 摩擦面积 Friction Area | 摩擦片厚度 Friction Lining Thickness | 气胎容积 Air Tube Cavity | 轮毂小直径 Minimum Drum Diameter | |
新 New | 旧 Worn | |||||||||
3CB150 | 40.7 | 2000 | 0.10E-06 | 0.00 | 0.8 | 90.3 | 5 | 1 | 0.12 | 74 |
4CB200 | 113 | 2000 | 0.12E-06 | 0.01 | 1.1 | 148.4 | 3 | 1 | 0.17 | 99 |
5CB200 | 165 | 2000 | 0.14E-06 | 0.02 | 1.6 | 193.5 | 5 | 1 | 0.28 | 124 |
6CB200 | 231 | 1800 | 0.41E-06 | 0.04 | 3.2 | 232.2 | 4 | 2 | 0.32 | 150 |
8CB250 | 485 | 1800 | 0.48E-06 | 0.08 | 4.1 | 393.5 | 3 | 2 | 0.49 | 201 |
10CB300 | 921 | 1800 | 0.69E-06 | 0.25 | 8.6 | 587.0 | 5 | 2 | 0.82 | 251 |
12CB350 | 1500 | 1800 | 0.83E-06 | 0.46 | 12 | 825.6 | 5 | 2 | 1.31 | 302 |
14CB400 | 2230 | 1800 | 1.04E-06 | 0.71 | 14 | 1096.5 | 5 | 2 | 1.15 | 353 |
上一个: 单列双法兰CB离合器
下一个: 单列宽型VC



