产品名称:单列双法兰CB离合器
咨询热线:18637333199
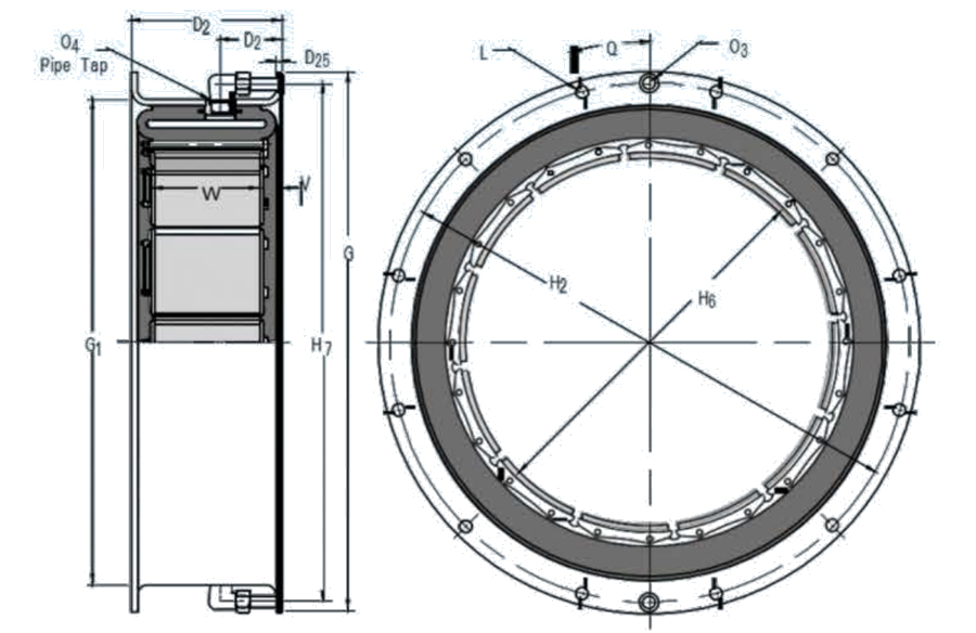
产品简介:单列双法兰CB单列双法兰CB型号尺寸型号Size扭矩TorqueRatingD₂D₂₄D₂₅G₁GH₂H₆H₇L螺栓(B...
单列双法兰CB

单列双法兰CB型号尺寸
型号 Size | 扭矩 Torque Rating | D₂ | D₂₄ | D₂₅ | G₁ | G | H₂ | H₆ | H₇ | L 螺栓 (Bolt)
| O₃ | O₄ | Q | V | W
| ||
数量 No. | 尺寸 Size | 度 (Deg) | 数量 No. | 宽度 Width | |||||||||||||
12CB350 | 1500 | 124 | 51 | 5 | 447.7 | 403 | 428.6 | 308 | 429 | 14 | 10 | 8 | 3/8-18 | 12.857 | 17 | 12 | 89 |
14CB400 | 2230 | 137 | 51 | 5 | 498.5 | 454 | 479.4 | 359 | 479 | 16 | 10 | 8 | 3/8-18 | 11.250 | 17 | 14 | 102 |
16CB500 | 3980 | 168 | 64 | 5 | 596.9 | 527 | 571.5 | 411 | 565 | 8 | 13 | 10 | 3/8-18 | 22.500 | 21 | 10 | 127 |
18CB500 | 4970 | 168 | 64 | 5 | 647.7 | 578 | 619.1 | 462 | 619 | 12 | 13 | 10 | 3/8-18 | 15.000 | 21 | 11 | 127 |
20CB500 | 6060 | 168 | 64 | 5 | 698.5 | 629 | 669.9 | 513 | 670 | 12 | 13 | 10 | 3/8-18 | 15.000 | 21 | 12 | 127 |
22CB500 | 7040 | 168 | 64 | 5 | 749.3 | 679 | 720.7 | 564 | 721 | 12 | 13 | 10 | 3/8-18 | 15.000 | 21 | 13 | 127 |
24CB500 | 8480 | 168 | 64 | 5 | 800.1 | 730 | 771.5 | 614 | 772 | 16 | 13 | 10 | 3/8-18 | 11.250 | 21 | 14 | 127 |
26CB525 | 10400 | 176 | 64 | 6 | 863.6 | 787 | 831.9 | 665 | 826 | 16 | 16 | 13 | 1/2-14 | 11.250 | 21 | 16 | 133 |
28CB525 | 12000 | 176 | 64 | 6 | 914.4 | 838 | 882.7 | 716 | 876 | 16 | 16 | 13 | 1/2-14 | 11.250 | 21 | 17 | 133 |
30CB525 | 13700 | 176 | 64 | 6 | 965.2 | 889 | 933.5 | 767 | 927 | 16 | 16 | 13 | 1/2-14 | 11.250 | 21 | 18 | 133 |
32CB525 | 15500 | 176 | 64 | 6 | 1016.0 | 940 | 984.3 | 818 | 978 | 18 | 16 | 13 | 1/2-14 | ⑤ | 21 | 19 | 133 |
36CB525 | 19400 | 176 | 70 | 7 | 1133.5 | 1056 | 1095.4 | 919 | 1099 | 18 | 19 | 16 | 1/2-14 | ⑤ | 21 | 22 | 133 |
40CB525 | 23800 | 176 | 70 | 7 | 1235.1 | 1157 | 1197 | 1021 | 1200 | 20 | 19 | 16 | 3/4-14 | 9.000 | 21 | 24 | 133 |
45CB525 | 29400 | 176 | 70 | 7 | 1362.1 | 1287 | 1324 | 1148 | 1327 | 24 | 19 | 16 | 3/4-14 | 7.500 | 21 | 27 | 133 |
单列双法兰CB技术参数
型号 Size | 扭矩 Torque Rating | 大转速 Maximum Speed | 离心力损失系数 Centrifugal Loss Constant | 转动惯量 Moment of Inertia | 重量 Weight | 摩擦面积 Friction Area | 摩擦片厚度 Friction Lining Thickness | 气胎容积 Air Tube Cavity | 轮毂小直径 Minimum Drum Diameter | |
新 New | 旧 Worn | |||||||||
12CB350 | 1470 | 1800 | 0.83E-06 | 0.50 | 14 | 826 | 5 | 2 | 1.31 | 302 |
14CB400 | 2230 | 1800 | 1.04E-06 | 0.88 | 16 | 1097 | 5 | 2 | 1.15 | 353 |
16CB500 | 3980 | 1550 | 1.38E-06 | 2.18 | 34 | 1554 | 7 | 2 | 2.30 | 403 |
18CB500 | 4970 | 1400 | 1.59E-06 | 2.94 | 37 | 1690 | 7 | 2 | 2.62 | 454 |
20CB500 | 6060 | 1300 | 1.73E-06 | 3.78 | 40 | 1858 | 7 | 2 | 2.79 | 505 |
22CB500 | 7040 | 1250 | 1.93E-06 | 4.79 | 43 | 2012 | 7 | 2 | 3.12 | 555 |
24CB500 | 8480 | 1200 | 2.07E-06 | 5.96 | 46 | 2180 | 7 | 2 | 3.28 | 606 |
26CB525 | 10400 | 1100 | 2.35E-06 | 8.82 | 60 | 2606 | 8 | 2 | 4.26 | 656 |
28CB525 | 12000 | 1000 | 2.55E-06 | 10.58 | 63 | 2774 | 8 | 2 | 4.59 | 706 |
30CB525 | 13700 | 950 | 2.76E-06 | 12.73 | 67 | 2954 | 8 | 2 | 4.76 | 757 |
32CB525 | 15500 | 900 | 2.97E-06 | 15.08 | 71 | 3115 | 8 | 2 | 5.08 | 808 |
36CB525 | 19400 | 800 | 3.31E-06 | 21.42 | 81 | 3548 | 8 | 2 | 5.74 | 910 |
40CB525 | 23800 | 750 | 3.59E-06 | 30.66 | 91 | 3935 | 8 | 2 | 6.23 | 1011 |
45CB525 | 29400 | 670 | 4.42E-06 | 46.83 | 119 | 4354 | 8 | 2 | 7.05 | 1137 |
上一个: 高压空气包
下一个: 单列单法兰CB离合器



